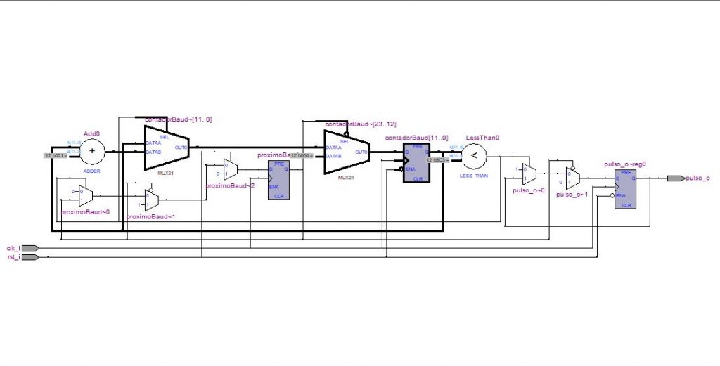
Susana Canel. Curso de VHDL https://susycursos.com Curso visual de VHDL y de Quartus II. Apuntes de electrónica. Fri, 26 Feb 2021 23:25:26 +0000 es-AR hourly 1 https://wordpress.org/?v=6.8.3 /wp-content/uploads/2018/03/cropped-Logo3-2.jpg Susana Canel. Curso de VHDL https://susycursos.com 32 32 Lección 20.V137. Optimización del hardware de la UART RS-232 a 115200 bps. Simulación y prueba en la plaqueta. /2021/02/26/leccion-20-v137-optimizacion-del-hardware-de-la-uart-rs-232-a-115200-bps-simulacion-y-prueba-en-la-plaqueta/ /2021/02/26/leccion-20-v137-optimizacion-del-hardware-de-la-uart-rs-232-a-115200-bps-simulacion-y-prueba-en-la-plaqueta/#comments Fri, 26 Feb 2021 23:25:26 +0000 /?p=3532 Continuá leyendo Lección 20.V137. Optimización del hardware de la UART RS-232 a 115200 bps. Simulación y prueba en la plaqueta.]]> En este video te muestro cómo economizar recursos del hardware hasta llegar a la optimización del circuito sintetizado del receptor de la UART RS-232. La velocidad de la comunicación serie es de 115200 bps. Uso la descripción con un único reloj. Te muestro los informes que emite el compilador del Quartus II para las distintas modificaciones de la descripción y también uso la herramienta Netlist Viewers del Quartus para analizar RTL Viewer y Technology Map Viewer para los distintos casos de optimizaciones. Realizo la simulación con el GTKWave. Luego pruebo el correcto funcionamiento usando la plaqueta de Altera DE1, conectada a la computadora a través de la línea RS-232.

Si te parece útil la explicación te agradezco mucho si además de de darle un clic a “me gusta” y suscribirte puedes contribuir al sostenimiento de mi sitio:

https://www.patreon.com/susanacanel

¡Gracias!

Para contactarme y solicitarme los manuales del Quartus II que escribí en español en lenguaje amigable (no son una traducción) y también los archivos de las descripciones y testbenchs en formato texto para que los puedas probar, entrá en /contactame/.

Puedes ver y descargar mis códigos fuente de: https://github.com/susanacanel/proyectos-vhdl.

]]>
/2021/02/26/leccion-20-v137-optimizacion-del-hardware-de-la-uart-rs-232-a-115200-bps-simulacion-y-prueba-en-la-plaqueta/feed/ 1
Lección 20.V135. Testbench: receptor de la UART RS-232. Relación entre el baud-rate y el muestreo. Solución. Simulación. /2021/01/28/leccion-20-v135-testbench-receptor-de-la-uart-rs-232-relacion-entre-el-baud-rate-y-el-muestreo-solucion-simulacion/ /2021/01/28/leccion-20-v135-testbench-receptor-de-la-uart-rs-232-relacion-entre-el-baud-rate-y-el-muestreo-solucion-simulacion/#respond Thu, 28 Jan 2021 08:16:31 +0000 /?p=3412 Continuá leyendo Lección 20.V135. Testbench: receptor de la UART RS-232. Relación entre el baud-rate y el muestreo. Solución. Simulación.]]> En este video te explico el testbench para probar el receptor de la UART RS-232. Realizo la simulación y te explico las formas de onda de las señales. Analizo el problema que se genera cuando no se elije bien la relación entre el baud-rate y la señal de muestreo de mayor frecuencia. Explico una de las soluciones dejando la otra para un video sucesivo.

Si te parece útil la explicación te agradezco mucho si además de de darle un clic a “me gusta” y suscribirte puedes contribuir al sostenimiento de mi sitio:

https://www.patreon.com/susanacanel

¡Gracias!

Para contactarme y solicitarme los manuales del Quartus II que escribí en español en lenguaje amigable (no son una traducción) y también los archivos de las descripciones y testbenchs en formato texto para que los puedas probar, entrá en /contactame/.

Puedes ver y descargar mis códigos fuente de: https://github.com/susanacanel/proyectos-vhdl.

]]>
/2021/01/28/leccion-20-v135-testbench-receptor-de-la-uart-rs-232-relacion-entre-el-baud-rate-y-el-muestreo-solucion-simulacion/feed/ 0
Lección 20.V134. Descripción: receptor de la UART-RS232, baud rate. Circuito sintetizado. Ejecución. /2021/01/19/leccion-20-v134-descripcion-receptor-de-la-uart-rs232-baud-rate-circuito-sintetizado-ejecucion/ /2021/01/19/leccion-20-v134-descripcion-receptor-de-la-uart-rs232-baud-rate-circuito-sintetizado-ejecucion/#comments Tue, 19 Jan 2021 23:27:11 +0000 /?p=3373 Continuá leyendo Lección 20.V134. Descripción: receptor de la UART-RS232, baud rate. Circuito sintetizado. Ejecución.]]> En este video describo un receptor para la UART RS-232, el generador de baud rate y muestro un package propio. Explico el circuito sintetizado, programo la plaqueta DE1 de Altera y muestro el correcto funcionamiento enviando letras desde el teclado de la computadora hacia la plaqueta y mostrando en binario (en leds) el carácter ASCII de las letras.

Si te parece útil la explicación te agradezco mucho si además de de darle un clic a “me gusta” y suscribirte puedes contribuir al sostenimiento de mi sitio:

https://www.patreon.com/susanacanel

¡Gracias!

Para contactarme y solicitarme los manuales del Quartus II que escribí en español en lenguaje amigable (no son una traducción) y también los archivos de las descripciones y testbenchs en formato texto para que los puedas probar, entrá en /contactame/.

Puedes ver y descargar mis códigos fuente de: https://github.com/susanacanel/proyectos-vhdl.

]]>
/2021/01/19/leccion-20-v134-descripcion-receptor-de-la-uart-rs232-baud-rate-circuito-sintetizado-ejecucion/feed/ 1
Lección 20.V133. Testbench del transmisor de la UART RS-232 enviando un mensaje. Simulación con GTKWave. /2021/01/08/leccion-20-v133-testbench-del-transmisor-de-la-uart-rs-232-enviando-un-mensaje-simulacion-con-gtkwave/ /2021/01/08/leccion-20-v133-testbench-del-transmisor-de-la-uart-rs-232-enviando-un-mensaje-simulacion-con-gtkwave/#respond Fri, 08 Jan 2021 07:35:48 +0000 /?p=3289 Continuá leyendo Lección 20.V133. Testbench del transmisor de la UART RS-232 enviando un mensaje. Simulación con GTKWave.]]> En este video te explico el testbench del transmisor de la UART RS-232. Luego simulo con GTKWave y te explico detalladamente las formas de onda. Te muestro un script hecho especialmente para este testbench.

Si te parece útil la explicación no te olvides de darle un clic a “me gusta” ¡Gracias! Para contactarme y solicitarme los manuales del Quartus II que escribí en español en lenguaje amigable (no son una traducción) y también los archivos de las descripciones y testbenchs en formato texto para que los puedas probar, entrá en /contactame/.

Puedes ver y descargar mis códigos fuente de: https://github.com/susanacanel/proyectos-vhdl.

]]>
/2021/01/08/leccion-20-v133-testbench-del-transmisor-de-la-uart-rs-232-enviando-un-mensaje-simulacion-con-gtkwave/feed/ 0
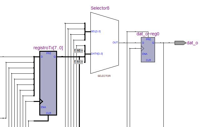
Lección 20.V132. Transmitiendo un mensaje, RS232, desde el circuito sintetizado a la PC. Descripción. /2021/01/07/leccion-20-v132-transmitiendo-un-mensaje-rs232-desde-el-circuito-sintetizado-a-la-pc-descripcion/ /2021/01/07/leccion-20-v132-transmitiendo-un-mensaje-rs232-desde-el-circuito-sintetizado-a-la-pc-descripcion/#respond Thu, 07 Jan 2021 03:32:19 +0000 /?p=3263 Continuá leyendo Lección 20.V132. Transmitiendo un mensaje, RS232, desde el circuito sintetizado a la PC. Descripción.]]> En este video te muestro una descripción de un transmisor de la UART RS232, transmitiendo un mensaje. Genero un baud-rate genérico. Uso instanciado y un package propio. Analizo el circuito esquemático RTL Viewer generado por Tool del Netlist Viewers del Quartus II. Uso el código ASCII de 8 bits. Pruebo el comportamiento en la plaqueta DE1 de Altera, enviando el mensaje a la computadora. Uso un cable con conversor RS-232 a USB (HL-340) y un driver que tuve que instalar. Muestro en la terminal (PuTTY) cómo van aparece el mensaje. Uso el código ASCII de 8 bits.

Si te parece útil la explicación no te olvides de darle un clic a “me gusta” ¡Gracias! Para contactarme y solicitarme los manuales del Quartus II que escribí en español en lenguaje amigable (no son una traducción) y también los archivos de las descripciones y testbenchs en formato texto para que los puedas probar, entrá en /contactame/.

Puedes ver y descargar mis códigos fuente de: https://github.com/susanacanel/proyectos-vhdl.

]]>
/2021/01/07/leccion-20-v132-transmitiendo-un-mensaje-rs232-desde-el-circuito-sintetizado-a-la-pc-descripcion/feed/ 0
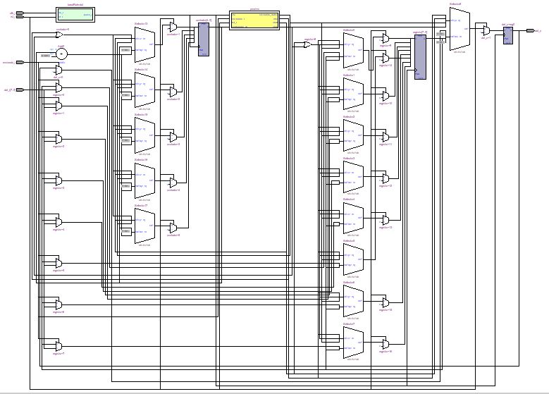
Lección 20. V131. Trasmisor de la UART RS-232. Prueba transmitiendo de la plaqueta a la computadora. /2020/12/10/leccion-20-v131-trasmisor-de-la-uart-rs-232-prueba-transmitiendo-de-la-plaqueta-a-la-computadora/ /2020/12/10/leccion-20-v131-trasmisor-de-la-uart-rs-232-prueba-transmitiendo-de-la-plaqueta-a-la-computadora/#respond Thu, 10 Dec 2020 07:47:11 +0000 /?p=2987 Continuá leyendo Lección 20. V131. Trasmisor de la UART RS-232. Prueba transmitiendo de la plaqueta a la computadora.]]> Describo el trasmisor de la UART RS-232. Genero el baud-rate. Uso instanciado y un package propio. Analizo el circuito esquemático RTL Viewer generado por Tool del Netlist Viewers del Quartus II. Programo la plaqueta DE1 de Altera, la conecto via RS-232 con la computadora. Uso un cable con conversor RS-232 a USB y un driver que tuve que instalar . Muestro en la terminal (PuTTY) cómo van apareciendo las letras que voy transmitiendo y que genero con interruptores de la plaqueta. Uso el código ASCII de 8 bits.

Si te parece útil la explicación no te olvides de darle un clic a “me gusta” ¡Gracias! Para contactarme y solicitarme los manuales del Quartus II que escribí en español en lenguaje amigable (no son una traducción) y también los archivos de las descripciones y testbenchs en formato texto para que los puedas probar, entrá en /contactame/.

Puedes ver y descargar mis códigos fuente de: https://github.com/susanacanel/proyectos-vhdl.

]]>
/2020/12/10/leccion-20-v131-trasmisor-de-la-uart-rs-232-prueba-transmitiendo-de-la-plaqueta-a-la-computadora/feed/ 0
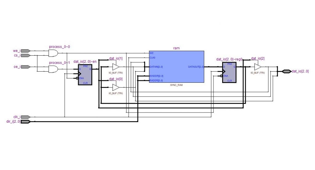
Lección 3.V22. Descripción: memoria estática, asincrónica con bus de datos bidireccional, SRAM. /2020/12/02/leccion-3-v22-descripcion-memoria-estatica-asincronica-con-bus-de-datos-bidireccional-sram/ /2020/12/02/leccion-3-v22-descripcion-memoria-estatica-asincronica-con-bus-de-datos-bidireccional-sram/#respond Wed, 02 Dec 2020 20:19:44 +0000 /?p=2974 Continuá leyendo Lección 3.V22. Descripción: memoria estática, asincrónica con bus de datos bidireccional, SRAM.]]> Muestro una descripción de una memoria estática, asincrónica, con bus de datos bidireccional. Explico el circuito esquemático RTL que generó la herramienta Netlist Viewers del Quartus II. Analizo los warnings de la compilación.

Si te parece útil la explicación no te olvides de darle un clic a “me gusta” ¡Gracias! Para contactarme y solicitarme los manuales del Quartus II que escribí en español en lenguaje amigable (no son una traducción) y también los archivos de las descripciones y testbenchs en formato texto para que los puedas probar, entrá en /contactame/.

Puedes ver y descargar mis códigos fuente de: https://github.com/susanacanel/proyectos-vhdl.

]]>
/2020/12/02/leccion-3-v22-descripcion-memoria-estatica-asincronica-con-bus-de-datos-bidireccional-sram/feed/ 0
Lección 19.V130. Simulación de la memoria SRAM estática, sincrónica, con bus bidireccional. Script. /2020/11/26/leccion-19-v130-simulacion-de-la-memoria-sram-estatica-sincronica-con-bus-bidireccional-script/ /2020/11/26/leccion-19-v130-simulacion-de-la-memoria-sram-estatica-sincronica-con-bus-bidireccional-script/#respond Thu, 26 Nov 2020 05:56:32 +0000 /?p=2965 Continuá leyendo Lección 19.V130. Simulación de la memoria SRAM estática, sincrónica, con bus bidireccional. Script.]]> Simulo la memoria SRAM estática, sincrónica, con bus de datos bidireccional, usando el GTKWave. Muestro el contenido interno de la memoria. Explico el funcionamiento del bus bidireccional y de los ciclos de escritura y de lectura. Verifico si se cumplen los tiempos especificados en la hoja de datos de la memoria que usé como referencia. Luego muestro el “script” que realicé para esta simulación y cómo guardar una simulación y recuperar las selecciones con los valores actualizados usando el GTKWave.

Si te parece útil la explicación no te olvides de darle un clic a “me gusta” ¡Gracias! Para contactarme y solicitarme los manuales del Quartus II que escribí en español en lenguaje amigable (no son una traducción) y también los archivos de las descripciones y testbenchs en formato texto para que los puedas probar, entrá en /contactame/.

Puedes ver y descargar mis códigos fuente de: https://github.com/susanacanel/proyectos-vhdl.

]]>
/2020/11/26/leccion-19-v130-simulacion-de-la-memoria-sram-estatica-sincronica-con-bus-bidireccional-script/feed/ 0
Lección 19.V129. Testbench memoria SRAM estática, sincrónica, bus bidireccional. Usa procedimientos. /2020/11/25/leccion-19-v129-testbench-memoria-sram-estatica-sincronica-bus-bidireccional-usa-procedimientos/ /2020/11/25/leccion-19-v129-testbench-memoria-sram-estatica-sincronica-bus-bidireccional-usa-procedimientos/#respond Wed, 25 Nov 2020 22:04:47 +0000 /?p=2899 Continuá leyendo Lección 19.V129. Testbench memoria SRAM estática, sincrónica, bus bidireccional. Usa procedimientos.]]> Te explico el testbench para una memoria SRAM, sincrónica y con bus de datos bidireccional. Me base en los diagramas temporales de una memoria comercial y los modifiqué para convertirla en sincrónica. Para hacer más legible el testbench, definí procedimientos para escribir, leer y verificar la memoria. Los ubiqué en un “package” propio. Te explico detalladamente los procedimientos siguiendo la hoja de datos. Este video continúa en el siguiente que es donde realizo la simulación.

Si te parece útil la explicación no te olvides de darle un clic a “me gusta” ¡Gracias! Para contactarme y solicitarme los manuales del Quartus II que escribí en español en lenguaje amigable (no son una traducción) y también los archivos de las descripciones y testbenchs en formato texto para que los puedas probar, entrá en /contactame/.

Puedes ver y descargar mis códigos fuente de: https://github.com/susanacanel/proyectos-vhdl.

Hoja de datos, Fujitsu: MB8464A-10-X/-10LL-X.

Hoja de datos, Fujitsu: MB8464A-10-X/-10LL-X.

]]>
/2020/11/25/leccion-19-v129-testbench-memoria-sram-estatica-sincronica-bus-bidireccional-usa-procedimientos/feed/ 0
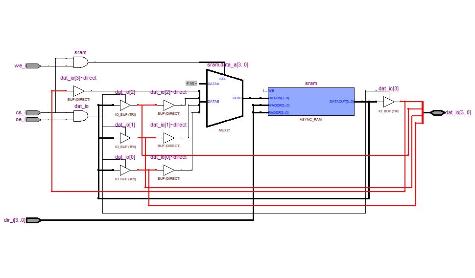
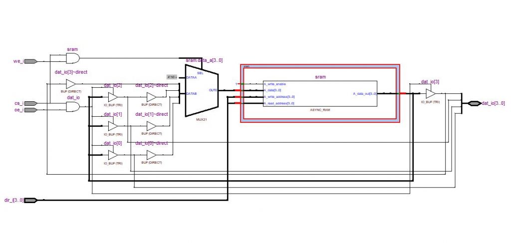
Lección 19.V128. Descripción: memoria estática sincrónica con bus de datos bidireccional, SRAM. DE1. /2020/11/18/leccion-19-v128-descripcion-memoria-estatica-sincronica-con-bus-de-datos-bidireccional-sram-de1/ /2020/11/18/leccion-19-v128-descripcion-memoria-estatica-sincronica-con-bus-de-datos-bidireccional-sram-de1/#respond Wed, 18 Nov 2020 23:24:30 +0000 /?p=2852 Continuá leyendo Lección 19.V128. Descripción: memoria estática sincrónica con bus de datos bidireccional, SRAM. DE1.]]> Te muestro la descripción de una memoria estática, sincrónica, con bus de datos bidireccional, SRAM. Luego la instancio en otra descripción, diseñada para usar la plaqueta. Uso un “package” propio en la misma carpeta de trabajo. Allí está la SRAM como componente. Te explico todos los circuitos esquemáticos generados por el RTL Viewer de la herramienta Tool del Netlist Viewers del Quartus II. Finalmente te mostro el funcionamiento en la FPGA Cyclone II de la plaqueta DE1 de Altera.

Si te parece útil la explicación no te olvides de darle un clic a “me gusta” ¡Gracias! Para contactarme y solicitarme los manuales del Quartus II que escribí en español en lenguaje amigable (no son una traducción) y también los archivos de las descripciones y testbenchs en formato texto para que los puedas probar, entrá en /contactame/.

Puedes ver y descargar mis códigos fuente de: https://github.com/susanacanel/proyectos-vhdl.

]]>
/2020/11/18/leccion-19-v128-descripcion-memoria-estatica-sincronica-con-bus-de-datos-bidireccional-sram-de1/feed/ 0