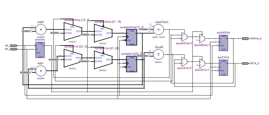
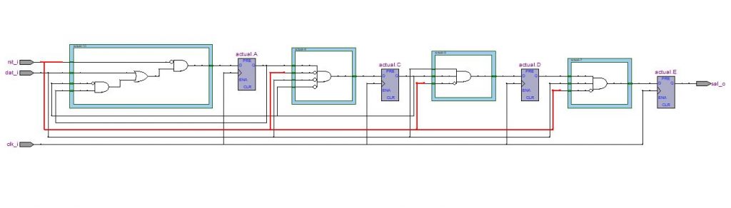
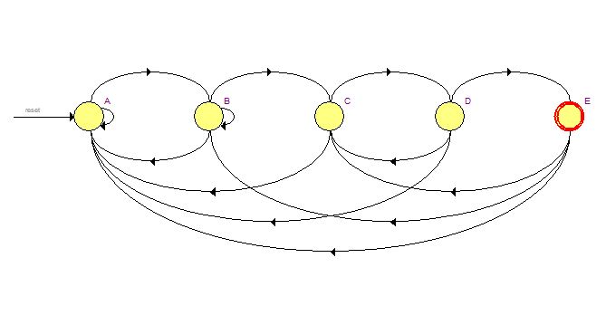
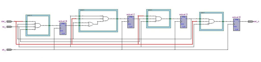
En este video te muestro cómo economizar recursos del hardware hasta llegar a la optimización del circuito sintetizado del receptor de la UART RS-232. La velocidad de la comunicación serie es de 115200 bps. Uso la descripción con un único reloj. Te muestro los informes que emite el compilador del Quartus II para las distintas modificaciones de la descripción y también uso la herramienta Netlist Viewers del Quartus para analizar RTL Viewer y Technology Map Viewer para los distintos casos de optimizaciones. Realizo la simulación con el GTKWave. Luego pruebo el correcto funcionamiento usando la plaqueta de Altera DE1, conectada a la computadora a través de la línea RS-232.
Si te parece útil la explicación te agradezco mucho si además de de darle un clic a “me gusta” y suscribirte puedes contribuir al sostenimiento de mi sitio:
https://www.patreon.com/susanacanel
¡Gracias!
Para contactarme y solicitarme los manuales del Quartus II que escribí en español en lenguaje amigable (no son una traducción) y también los archivos de las descripciones y testbenchs en formato texto para que los puedas probar, entrá en /contactame/.
Puedes ver y descargar mis códigos fuente de: https://github.com/susanacanel/proyectos-vhdl.


































































































