Lección 20.V137. Optimización del hardware de la UART RS-232 a 115200 bps. Simulación y prueba en la plaqueta.

En este video te muestro cómo economizar recursos del hardware hasta llegar a la optimización del circuito sintetizado del receptor de la UART RS-232. La velocidad de la comunicación serie es de 115200 bps. Uso la descripción con un único reloj. Te muestro los informes que emite el compilador del Quartus II para las distintas modificaciones de la descripción y también uso la herramienta Netlist Viewers del Quartus para analizar RTL Viewer y Technology Map Viewer para los distintos casos de optimizaciones. Realizo la simulación con el GTKWave. Luego pruebo el correcto funcionamiento usando la plaqueta de Altera DE1, conectada a la computadora a través de la línea RS-232.

Si te parece útil la explicación te agradezco mucho si además de de darle un clic a “me gusta” y suscribirte puedes contribuir al sostenimiento de mi sitio:

https://www.patreon.com/susanacanel

¡Gracias!

Para contactarme y solicitarme los manuales del Quartus II que escribí en español en lenguaje amigable (no son una traducción) y también los archivos de las descripciones y testbenchs en formato texto para que los puedas probar, entrá en /contactame/.

Puedes ver y descargar mis códigos fuente de: https://github.com/susanacanel/proyectos-vhdl.

Lección 14.V99. Máquina de estado. Contador que cuenta en una determinada secuencia. Comparación de estilos de descripción.

En este video te explico cómo describir a través de una máquina de estados un contador que cuenta en una determinada secuencia y comparo esta descripción con otra en la cual no usé una máquina de estado. Así vemos cómo varía en forma importante la cantidad de recursos usados en cada caso y también los tiempos de propagación. Estos son dos factores importantes a tener en cuenta cuando se debe elegir un estilo para realizar una descripción.

Si te parece útil la explicación no te olvides de darle un clic a “me gusta” ¡Gracias! Para contactarme y solicitarme los manuales del Quartus II que escribí en español en lenguaje amigable (no son una traducción) y también los archivos de las descripciones y testbenchs en formato texto para que los puedas probar, entrá en /contactame/.

Lección 14. V95. Máquina de estado Moore, detector de secuencia, con solapamiento.

Te explico una máquinas de estado con salida Moore. Describo un detector de secuencia con solapamiento. Uso la sentencia case para modelizar la máquina de estados. Uso tipo de datos enumerados para definir los estados. Diseño la máquinas de estados usando dos procesos, uno secuencial y otro combinacional. Explico un diagrama de estados y luego lo traduzco a código VHDL. Uso la herramienta Tool del Quartus II, selecciono Netlist Viewer, RTL (para ver las características de la salida tipo Moore), Technology Map Viewer (vemos que el Quartus usa 4 flip-flop para generar 5 estados) y State Machine Viewer (vemos el diagrama de estados, la tabla de transiciones y la codificación).

Si te parece útil la explicación no te olvides de darle un clic a “me gusta” ¡Gracias! Para contactarme y solicitarme los manuales del Quartus II que escribí en español en lenguaje amigable (no son una traducción) y también los archivos de las descripciones y testbenchs en formato texto para que los puedas probar, entrá en /contactame/.

Lección 14.V93. Máquina de estado Moore, detector de secuencia, sin solapamiento. Case. State Machine.

Te explico una máquinas de estado con salida Moore. Describo un detector de secuencia sin solapamiento. Uso la sentencia case para modelizar la máquina de estados. Uso tipo de datos enumerados para definir los estados. Te explico las diferencias principales de las salidas tipo Mealy y Moore y algunas ventajas de éstas últimas. Diseño la máquinas de estados usando dos procesos, uno secuencial y otro combinacional. Explico un diagrama de estados y luego lo traduzco a código VHDL. Uso la herramienta Tool del Quartus II, selecciono Netlist Viewer, RTL (para ver las características de la salida tipo Moore), Technology Map Viewer (vemos que el Quartus usa 4 flip-flop para generar 4 estados) y State Machine Viewer (vemos el diagrama de estados, la tabla de transiciones y la codificación).

Si te parece útil la explicación no te olvides de darle un clic a “me gusta” ¡Gracias! Para contactarme y solicitarme los manuales del Quartus II que escribí en español en lenguaje amigable (no son una traducción) y también los archivos de las descripciones y testbenchs en formato texto para que los puedas probar, entrá en /contactame/.

Lección 14. V91. Máquina de estado Mealy, detector de secuencia, solapamiento. Case. State Machine.

Te explico una máquinas de estado con salida Mealy. Describo un detector de secuencia con solapamiento. Uso la sentencia case. Tipo de datos enumerados. Máquinas de estados con dos procesos, uno secuencial y otro combinacional. Te muestro las plantillas del Quartus. Explico un diagrama de estados y luego lo traduzco a código VHDL. Uso la herramienta Tool del Quartus II, Netlist Viewer, RTL (para ver las características de la salida tipo Mealy), Technology Map Viewer (vemos que el Quartus usa 4 flip-flop para generar 4 estados) y State Machine Viewer (vemos el diagrama de estados, la tabla de transiciones y la codificación). Te explico la sentencia “case”. Para hacer la descripción VHDL uso datos enumerados para definir los estados.

Si te parece útil la explicación no te olvides de darle un clic a “me gusta” ¡Gracias! Para contactarme y solicitarme los manuales del Quartus II que escribí en español en lenguaje amigable (no son una traducción) y también los archivos de las descripciones y testbenchs en formato texto para que los puedas probar, entrá en /contactame/.

Lección 14.V89. Máquinas de estado, Mealy, detector de secuencia. Sentencia case.State Machine Viewer.

Te explico las máquinas de estado con salida Mealy y Moore. Describo un detector de secuencia. Uso la sentencia case. Tipo de datos enumerados. Diferencia entre salida tipo Mealy y tipo Moore. Máquinas de estados con dos procesos, uno secuencial y otro combinacional. Construyo y explico un diagrama de estados y luego lo traduzco a código VHDL. Uso la herramienta Tool del Quartus II, Netlist Viewer, RTL (para ver las características de la salida tipo Mealy), Technology Map Viewer (vemos que el Quartus usa 4 flip-flop para generar 4 estados) y State Machine Viewer (vemos el diagrama de estados, la tabla de transiciones y la codificación). Te explico la sentencia “case” comparándola con la correspondiente sentencia concurrente “when”. Para hacer la descripción VHDL uso datos enumerados para definir los estados.

Si te parece útil la explicación no te olvides de darle un clic a “me gusta” ¡Gracias! Para contactarme y solicitarme los manuales del Quartus II que escribí en español en lenguaje amigable (no son una traducción) y también los archivos de las descripciones y testbenchs en formato texto para que los puedas probar, entrá en /contactame/.

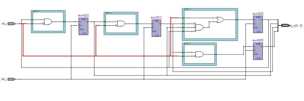
Lección 13.V86. Descripción de un contador Johnson o Moebius de módulo impar. Hardware generado.

En este video te explico la descripción de un contador Johnson o Moebius de módulo impar. Para lograrlo se debe saltear uno de los estados, por ejemplo, aquel que contiene todos sus bis en ‘1’. Uso Technology Map Viewer de la herramienta Tool para analizar el circuito esquemático del circuito sintetizado.

Si te parece útil la explicación no te olvides de darle un clic a “me gusta” ¡Gracias! Para contactarme y solicitarme los manuales del Quartus II que escribí en español en lenguaje amigable (no son una traducción) y también los archivos de las descripciones y testbenchs en formato texto para que los puedas probar, entrá en /contactame/.

Lección 13.V83. Contador Johnson o Moebius, módulo par, arranque automático. Hardware generado.

Descripción VHDL de un contador Johnson o Moebius, de módulo par con arranque automático. Uso el Quartus II. Tanto el reset como una determinada condición lo llevan al estado inicial que es el que tiene todos los bits en “0”. El arranque automático asegura que en no más de (N-1) ciclos de reloj el contador entra en secuencia. Vemos el circuito esquemático generado por Technology Map Viewer de la herramienta Tool del Quartus II.

Si te parece útil la explicación no te olvides de darle un clic a “me gusta” ¡Gracias! Para contactarme y solicitarme los manuales del Quartus II que escribí en español en lenguaje amigable (no son una traducción) y también los archivos de las descripciones y testbenchs en formato texto para que los puedas probar, entrá en /contactame/.

Lección 13.V80. Descripción: contador en anillo con arranque automático. Hardware generado.

Te describo un contador en anillo con arranque automático, o sea que contempla la posibilidad tanto de que todos sus bits erróneamente estén en ‘0’ como que el contenido tenga más de ‘1’. En el primer caso inmediatamente lo lleva a su estado inicial (el del reset) con el bit más significativo en ‘1’ y el resto en ‘0’. En el segundo caso, en cada ciclo de reloj va limpiando los ‘1’ que hubiera. Uso dos procesos, la señal generada por uno de ellos dispara el otro proceso. Defino una variable. Uso for loop.

Si te parece útil la explicación no te olvides de darle un clic a “me gusta” ¡Gracias! Para contactarme y solicitarme los manuales del Quartus II que escribí en español en lenguaje amigable (no son una traducción) y también los archivos de las descripciones y testbenchs en formato texto para que los puedas probar, entrá en /contactame/.

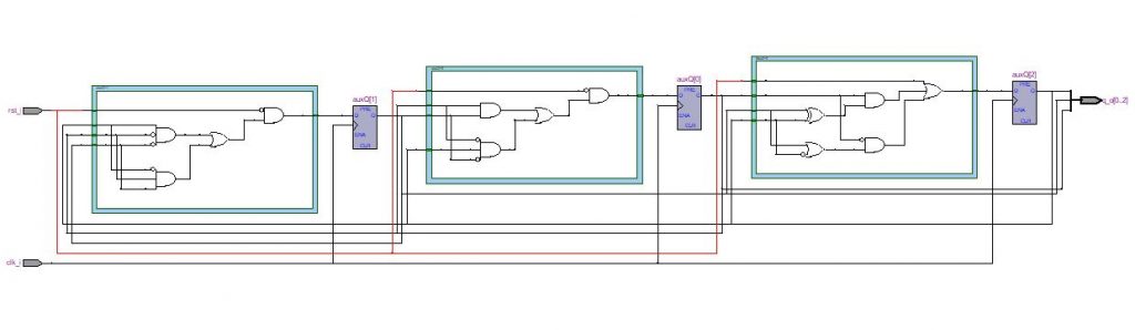
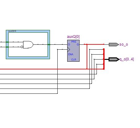
Lección 13.V78. Descripción de un generador de secuencia pseudo-aleatoria de 5 bits.

Descripción y explicación de un generador de una secuencia pseudo-aleatoria de 5 bits usando un registro de desplazamiento. Este generador cuenta con 32 estados ya que se fuerza el estado con todos los bits en cero. También tiene una señal de reset. Te muestro en una tabla la secuencia generada. Analizo con detalle los esquemáticos generados por RTL y Technology Map Viewer del Quartus II.

Si te parece útil la explicación no te olvides de darle un clic a “me gusta” ¡Gracias! Para contactarme y solicitarme los manuales del Quartus II que escribí en español en lenguaje amigable (no son una traducción) y también los archivos de las descripciones y testbenchs en formato texto para que los puedas probar, entrá en /contactame/.