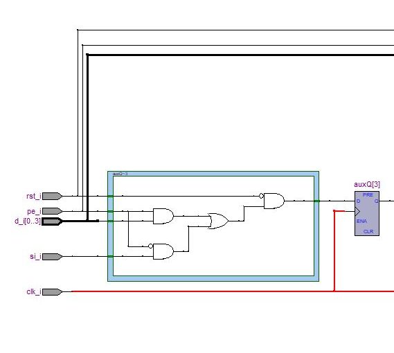
En este video te explico la descripción de un contador Johnson o Moebius de módulo impar. Para lograrlo se debe saltear uno de los estados, por ejemplo, aquel que contiene todos sus bis en ‘1’. Uso Technology Map Viewer de la herramienta Tool para analizar el circuito esquemático del circuito sintetizado.
Si te parece útil la explicación no te olvides de darle un clic a “me gusta” ¡Gracias! Para contactarme y solicitarme los manuales del Quartus II que escribí en español en lenguaje amigable (no son una traducción) y también los archivos de las descripciones y testbenchs en formato texto para que los puedas probar, entrá en /contactame/.





























