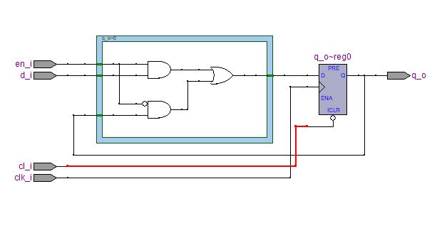
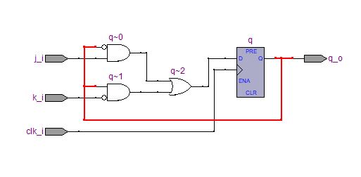
En este video te explico cómo describir un flip-flop JK, con entradas asincrónicas de “clear” y “preset”, a partir de su ecuación característica. La entrada “clear” tienen prioridad sobre la entrada “preset”. Con la sentencia if…elsif, doy prioridad a clear sobre preset y sobre el flanco ascendente del reloj. Uso la función “rising_edge” para detectar el flanco creciente de la señal de reloj. En la arquitectura defino una señal auxiliar para poder escribir la ecuación característica del flip flop. Compilo y analizo los “warnings”. Luego recurro a la herramienta “Tool” y selecciono “RTL Viewer” del Quartus para ver y analizar el circuito esquemático generado. Si te parece útil la explicación no te olvides de darle un clic a “me gusta” ¡Gracias! Para contactarme y solicitarme los manuales del Quartus II que escribí en español en lenguaje amigable (no son una traducción) y también los archivos de las descripciones y testbenchs en formato texto para que los puedas probar, entra en /contactame/ .










